Table of Contents
Report
Title: Shelter for an aquaponic system in urban areas.
Authors:
- Adriana Jurado
- Reelika Martoja
- Severin Bernreuther
- Paweł Jankowski
- Roland Esenszki
- Mateusz Bartniak
Acknowledgement
The team of the shelter for an an aquaponic system in urban areas owes great thanks to:
- Benedita Malheiro for her support as a team advisor,
- Abel Duarte for supporting our ideas as our client,
- all EPS supervisors for their support, advice and feedback during the complete project.
Glossary
<WRAP box 400px>
| Abbreviation | Description |
|---|---|
| AC | Alternating Current |
| Al | Aluminium |
| CAD | Computer-aided design |
| CO2 | Carbon Dioxide |
| DC | Direct Current |
| EPS | European Project Semester |
| GND | Ground (electricity) |
| IRI | International Research Institute |
| ISEP | Instituto Superior de Engenharia do Porto |
| LCD | liquid-crystal display |
| LED | Light emitting diode |
| Mg | Magnesium |
| OECD | Organisation for Economic Co-operation and Development |
| PC | Polycarbonate |
| PMMA | Polymethyl Methacrylate |
| PVC | Polyvinyl chloride |
| Si | Silicon |
| STEEP | Social Technological Economical Environmental Analysis |
| SWOT | Strengths Weaknesses Opportunities Threats |
| VCC | Positive supply voltage |
</WRAP>
1. Introduction
1.1 Presentation
We are a group of six international students from different fields of studies. Our Team consists of two electrical engineers, a mechanical engineer, an expert in logistics, a business engineer and an industrial designer. At the end of February 2015 we started a program called the European Project Semester at the Instituto Superior de Engenharia do Porto. During the European Project Semester we worked on a project lasting the whole semester, and we will participated in the complementary classes.
Team members:
- Adriana Jurado
- Reelika Martoja
- Severin Bernreuther
- Paweł Jankowski
- Roland Esenszki
- Mateusz Bartniak
1.2 Motivation
Why have we decided to work on a Shelter for an outdoor aquaponics system?
As a consequence of urbanization you can often find unused spaces between buildings and roads. Nobody seems to know what to do with these deserted areas, but we liked the idea of giving them a new purpose.
The idea is to convert the abandoned areas into fresh and sustainable food producing areas with the use of aquaponic systems. In order to keep these systems working, there is the need for shelters/igloos compliant with specific requirements (see: Problem).
Our aim is to meet these requirements, while developing a stylish shelter that supports local food production in the most sustainable way possible. The aim is to solve every problem with a sustainable approach and use this market niche to revolutionize the look of densely populated areas. We think that this project accompanies the Zeitgeist of our generation and is a beautiful combination of sustainable business, engineering and design.
1.3 Problem
We were tasked with designing and building a shelter for an outdoor aquaponic system. The main idea of the project is to be as sustainable as possible. We focused on finding a good correlation between quality and cost. The shelter should be able to provide proper conditions for the cultivation of plants, in a broad range of weather conditions outside of the shelter. We decided to use a small aquaponic system provided by the University to perform our tests.
1.4 Objectives
The main objective of the project is to create a shelter that enables the aquaponic system to work outside. This means not only providing the system with the best possible protection (from insects, wind etc.), but also with support, by using the sensors of temperature and brightness. The second main goal is to make the whole project as sustainable as possible. We need to implement the most eco-friendly solutions, and in terms of materials, find the balance between cost and quality.
1.5 Requirements
- sustainability
- appealing design
- easy to build up
- low cost components
- provide protection for the aquaponic system
- support the aquaponic system (temperature, light, humidity)
1.6 Use cases
- cover for aquaponics
- provide conditions for plants/fish
- use as a wintergarden
- use as a greenhouse
- add a design element in urban areas
- display temperature and humidity inside the shelter
- get inside/outside
- cooling the shelter by opening the windows
- cover the plants inside the shelter to protect them from excess of the sunlight (manually)
1.7 Functional Tests
The end prototype has to pass the following tests to be considered functional:
- Do the windows open when the temperature is too high?
- Do the windows close when the temperature is getting lower?
- Does it cover the aquaponic system?
- Does the cover let pass an appropriate amount of sunlight?
- Is there a design aspect to the product?
- Is the LCD Display showing the correct information?
- Does the opening of windows provide the necessary wind flow?
- Is it safe for users?
- Is it possible to enter the end product (not prototype) through a door?
1.8 Project Planning
Table 1 is demonstrating how we organised ourselves throughout all different tasks and deliverables <WRAP centeralign>
| Task | Responsible |
|---|---|
| Leaflet | Adriana |
| Marketing plan | Severin and Paweł |
| Design | Adriana and Reelika |
| Strength calculations | Reelika |
| Electronics background | Mateusz and Roland |
| Project Development | Mateusz |
| The project and background information | All |
| Search components and materials | All |
| Ecological footprint and sustainability | All |
| Final report | All |
| Final presentation | All |
| Filling the wiki | All |
| Team presentation | All |
</WRAP>
1.9 Report Structure
The following list shows the structure of this report including a short description of each chapter.
1. Introduction - Presentation of the team, motivation, project and main problems
2. State of the Art - Specification of products and technologies that are already available in the market
3. Project Management - Organisation and management of the project including timetables and task allocation
4. Marketing Plan - Analysis and strategies concerning relevant the business environment
5. Eco-efficiency Measures for Sustainability - Enhancement of sustainability and Life-cycle analysis
6. Ethical and Deontological Concerns - Legitimacy and legality analysis
7. Project Development - Explanation of Design, Construction and Electrical Hardware used in the 'Ecodome'
8. Conclusions - Discussion about the project and possible future developments
2. State of the Art
2.1 Introduction
In this chapter we are going to introduce the idea of our project and give some information about technologies used currently in the field of our work. We will compare three different shelters that are already in use, built by different companies or independent designers. By this, we want to show different solutions in terms of design, technology and functionality of greenhouses for aquaponic systems. We based our research on websites and guidebooks that are available online, but also on our own research and experiences.
2.2 Greenhouses comparison
In this part, we are giving detailed information about few examples of the products similar to ours. We have chosen the shelters, which brings different ideas and solutions in terms of the technology. We did the comparison of the chosen products and our greenhouse to look for the best solutions and have a clear view on the current situation in the aquaponic greenhouses market.
2.2.1 Sustenta Greenhouse - Organic farm in Rua da Bombarda 285
As we wanted to get some knowledge about the aquaponic systems, we were looking for places, where we can get familiar with that kind of technology. According to that, we visited a small, local organic farm located in Rua da Bombarda. During the visit we took notes and photos, asked questions and got some feedback to our ideas. The greenhouse they have built for their aquaponic systems is a really simple solution. It is a plastic tunnel, without any sensors or electrical devices. The materials they used are steel pipes, plastic tarp and wood. As far as it is a cheap structure, it is not very effective. The materials they use can not be considered sustainable (steel pipes are rusted). As they do not use any sensors, they are not able to control the temperature, brightness and humidity inside the shelter - they are not elastic in providing the plants with the best possible conditions to grow. Another big disadvantage of this shelter is the lack of the heating system, which is essential during the winter time. The aquaponic systems can not provide year-round production, as they do not have the proper conditions to work, when the temperature outside is too low (winter time).
Figure 1 shows the information collecting of the team <WRAP centeralign>
</WRAP>
2.2.2 THE GLOBE - Hedron
It is a project that is still in process an they are trying to gather money to finance the construction/production. It is a unique geodesic rooftop farm design structure which is built using natural, renewable materials such as bamboo for its central structural elements. The whole idea of the project is to grow fish, vegetables and fruits at the rooftops in big cities. Hedron is designed to be manufactured and retailed at a low cost. Easy-to-set-up units can be combined to scale up food production capacity. Because of this design, the aquaponic farm can be housed on more roofs without any structural building adaptation [1].
Figure 2 presents The Globe - Hedron structure <WRAP centeralign>
</WRAP>
2.2.3 Ceres - Green technology
The project of the CERES company aims to build the free-standing greenhouse, that integrates aquaponics into an urban farming system. The goal is to provide community with organic produce and food growing training. The glass windows are placed strategically. There are windows on South, East and West (East and West are operable windows), to provide plants with the proper light. The greenhouse is built with insulated walls, framed with R-13 fiberglass, in order to reduce the energy costs. The entrance is insulated with metal, the roof if made with triple polycarbonate material. The whole construction is durable enough to provide efficient year-round aquaponics system work. To stabilize the temperature inside the greenhouse, CERES team applied Ground to Air Heat Transfer (GAHT) system, which uses the solar energy and the thermal mass of the soil.
Figure 3 presents the way how to building the greenhouse for the aquaponics system <WRAP centeralign>
</WRAP>
2.2.4 Comparison
In order to clarify the position of our product, we took different aspects, that are essential for the greenhouse to provide the proper conditions for aquaponics system to operate. We did the comparison of the three different shelters and our product.
Table 2 provides the comparison of greenhouses according to different factors <WRAP centeralign>
| Model | self ventilation system | abillity to disassemble | self heating/cooling system | customize(size) | temperature sensor | humidity sensor | modern design | renewable construction materials | insulated walls |
|---|---|---|---|---|---|---|---|---|---|
| Sustenta greenhouse | NO | NO | NO | NO | NO | NO | NO | NO | NO |
| GLOBE - the Hedron | NO | YES | NO | NO | NO | NO | YES | NO | NO |
| CERES aquaponic greenhouse | YES | NO | YES | YES | YES | YES | NO | NO | YES |
| EcoDome - our product | NO | YES | NO | YES | YES | YES | YES | YES | NO |
</WRAP>
Our idea is to develop product in the most efficient way. When it is possible, we rely on the natural sources, for example in terms of ventilation system - We do not use any artifical system. Heating system is based on the solar energy and the proper transmission of the light. As we want our product to be user-friendly, we will develop the construction that can be disassembled. Also, the size of our product can be customized, depending on the customers needs. To control the conditions inside the shelter, we install humidity and temperature sensors.
2.4 Solutions & technology
In this chapter, we will provide examples of technical, but also natural solutions that are used to operate the greenhouse in the proper way and provide the plants optimal conditions to grow. We will also give information about the materials needed to build different types of shelters.
2.4.1 Structure
The efficiency of the greenhouse is strongly dependent on the structure. It is vital to build the construction that will last and protect the plants sustainably and efficiently. The proper design can increase the production, by providing the possibility of year-round growing. Frames of the greenhouse are mostly constructed of wood, extruded metal, pipe (metal or PVC), sometimes masonry. For covering, most widely used materials are polycarbonate and polyethylene film. Here are some different ways to build the shelter in terms of structure and cover materials, and shape [3].
2.4.1.1 Shapes
Table 3 provides the shapes comparison <WRAP centeralign>
</WRAP>
2.4.1.2 Skeleton
For the skeleton, the most important aspects are that the material is strong enough to support the covering materials, to be corrosion resistant, it has to look good and it has to be as sustainable as possible. In the following table, three different materials that can be used for the structure materials are compared: steel S355 which is one the most commonly used construction steel; aluminium 6082, which is the most commonly used Aluminium when building construction, in the water or close to it; and Scots pine, which is the most commonly used wood when building constructions.
In chapter 7.3.1 there is more detailed information about the different materials.
Table 4 provides the skeleton materials comparison <WRAP centeralign>
| Material | Description |
|---|---|
| Steel S355 | Has the highest modulus of elasticity 210 GPa and tensile strength 355 MPa. It is not that corrosion resistant than Al. It has higher density 7.90 g/cm3 than other materials. |
| Al 6082 | It has a lot of Mg and Si, which makes it very corrosion resistant. Same time its density 2.70 g/cm3 is a lot lower than steels. It has lower modulus of elasticity 70 GPa and tensile strength 310 MPa. |
| Scots pine | Comparing to metals, wood has a lot lower mechanical properties. It means that bigger amount of material is needed to build the skeleton that is as strong as the one which is made of an metal alloy. Same time wood looks better, it is a very big choice of different treating materials, it is a lot easier to work with it (for example cutting and drilling). |
</WRAP>
2.4.1.3 Cover
The choice of the cover material is essential for the greenhouse. It is important to find material, that provides proper light transmission and at the same time, does not let the heat to escape. Visible light transmission for common glazing materials varies from 78 percent to 93 percent.
In chapter 7.3.1 there is more detailed information about the different materials.
Table 5 presents the cover materials comparison <WRAP centeralign>
| Material | Description |
|---|---|
| PC | It is one of the most commonly used construction plastic. It can be used as a single, double, or even triple layer. The material provides high light transmission. Polycarbonate is highly resistant to hail, and is less flammable than other plastic materials, also has high chemmical resistance. |
| PMMA | Is also used as construction plastic. Comparing to PC it has lower impact strength and it is not that resistant to chemical pollution as PC. It is cheaper. Light transmission is a bit higher than PC |
| Glass | It has two times higher density than PC and PMMA and it very low impact strength. It is more expensive than plastics. |
| Plastic film | Comparing to other materials, it is less sustainable. It has low impact strength, low resistance to chemical pollution, dose not like rapid temperature changes and needs total replacing at least once a year. It is a lot cheaper comparing to others |
</WRAP>
2.4.2 Heating/cooling system
Proper working heating system is one of the most important aspects of the efficient plants growing. Also, the essential issue is to provide the solution, that is not harmful for the plants. There are variety of solutions for the heating system, from expensive, automatic systems controlled by electronic devices, to the natural ones, based on the natural energy sources ones. In this chapter we will show few examples of heating/cooling systems, used in certain greenhouses.
2.4.2.1 Ground to Air Heat Transfer (GAHT)
This is a low cost method to heat and cool the greenhouse year-round, using the soil underground, which works like thermals mass - gathering the heat, and providing the stable temperature to the shelter. To provide the proper air circulation, there are tubes buried in the soil under the shelter. Depending on the temperature, the tubes either heat or cool the air. The idea of the GAHT system is also to circulate air through the greenhouse, providing the ventilation and decreasing the humidity if it is too high [4].
Figure 4 shows how is GAHT working <WRAP centeralign>
</WRAP>
Figure 5 shows an example of tubes, that are responsible for underground air circulation: <WRAP centeralign>
</WRAP>
2.4.2.2 Thermal mass - Tromble wall
Tromble wall is a system of gaining the passive solar energy with using the thermal mass (material absorbing the heat) inside the shelter. In that specific case - black colored wall. Usually, the wall consists of a 20 - 40 cm (8“ - 16”) thick masonry wall painted with heat-absorbing color (dark). Between the thermal mass and the glazing, there is an air space, where the heat is gathered. For the typicall tromble wall, the heating takes 8-10 h, to get to the interior of the builing. The slow process of heating the shelter makes in more comfortable during many hours of the day, before the sunset. That makes the tromble wall possible to install in a normal-living house. The black wall consists two vents, at the top and at the bottom, to control the windflow, and provide it with the proper heating. The vents can be constructed to open automatically,The vents may use controlable flaps, which is useful, when we want to prevent the interior from unwanted temperature [5].
Figure 6 presents the Tromble wall during the day <WRAP centeralign>
</WRAP>
Figure 7 presents the Tromble wall during the night <WRAP centeralign>
</WRAP>
During the day, tromble wall technique heats the wall convectively and radioactively as well. During the night, vents have to be shut, to provide the proper direction for the convection loop [5].
As a variation to masonry, the black barrels full of water can be used as the thermal mass. Due to convection currents within the water itself, heat is transferred through the entire thermal mass much faster than a typical masonry wall that relies solely on conduction. This solution is useful when there is a need to deliver the heat quicker [5].
Figure 8 shows the alternative thermal mass - water <WRAP centeralign>
</WRAP>
2.4.2.3 Thermal screens
It is necessary to store the heat inside the shelter, especially when there are no artificial sources used. Thermal screens, known also as thermal curtains or blankets are fabric sheets pulled across the roof and walls of a greenhouse during cold weather to reduce heat loss. Thermal screens technology is also a very good idea to prevent the plants from too high brightness and temperature, when the weather is too hot. The funcionality of thermal curtains is wide - providing the shadow during summer, and keeping the proper amount of heat during cold nights. The system can be fully automated or operated manually [6].
Figure 9 presents the thermal curtains technology <WRAP centeralign>
</WRAP>
There is a wide variety of materials that we can use as the cover, but if we want out curtains work effectively during the whole year, the best material would be semi porous films made of alternating strips of clear and aluminized polyester or acrylic fabric. The aluminized strips reflect un-needed light out of the greenhouse during summer and reflect heat back into the greenhouse at night during cold weather [7].
Thermal screen system is able to be installed in almost any type of greenhouse, but sometimes, some modifications are required. If plants, lights, heat pipes, air ducts or irrigation lines are hanging from the roof structure, they may need to be moved or supported from the ground before curtains can be installed [7].
2.4.3 Humidity control systems
Humidity is one of the most important factors that should be controlled in the greenhouses. It plays significant role in plants growth. Too high relative humidity encourages mould growth, which causes plant diseases and can also damage the greenhouse structures. It is a challange to find and keep optimal humidity in the greenhouse environment. Too dry air affects plants, it can slow down the growth. Too high humidity can cause the mould growth, which is often the reason of plants diseases and can also damage structures of the shelter [8]. There are many different humidity control systems, here are some examples of them:
2.4.3.1 Misting system
Greenhouse misting systems is another solution, next to shading and ventilation, which can help to create proper environment for plants to grow. It can affect the temperature and humidity inside the shelter in a possitive way. The misting system should be attached to the framework of the greenhouse. Water is sprayed around through the nozzles and create a micro-mist. The mist evaporates, which results in cooling and raising the humidity inside the shelter [9].
Figure 10 provides an example of the misting system in work <WRAP centeralign>
</WRAP>
It is not easy to keep the proper humidity, especially during warm weather. It is essential to control this factor. The misting system maintain the proper humidity and is also an efficient cooling system. Using the specific controlers, it can be operated automatically when the humidity level drops. At the market, there are also sensors that absorb or release water vapor, depending on the level of humidity in the air [10].
2.4.3.1 Ventilation
Ventilation is critical in the shelter to control humidity and temperature. Greenhouses can be ventilated in two ways: Mechanically or naturally:
- Mechanical ventilation requires inlet openings, the fans, and the electricity to operate the fans. When designed in the good way, it can besimple and efficient solution to provide the windflow. It can also provide higher rates of air movements than natural one. On the other hand, using artifical energy sources is often difficult to optimalize in the “sustainably working” way [11]. The mechanical ventilation demands a proper design, to provide the windflow to all the plants.
- Natural ventilation is based on thermal buoyancy and the effect of wind blowing outside the greenhouse, which creates small pressure differences between the windward and leeward side of the greenhouse, causing air to move towards the leeward side. That gives a great opportunity to rely just on the natural air circulation. The essentials are the inlet and outlet openings, either manually, or automatically operated, which have to be strategically located. In the second option, the electronic system to operate the windows has to be taken into consideration. But even with the automatic system, natural ventilation uses much less electricity and does not produce noise, comparing to the mechanical system [12].
Figure 11 shows the way of natural ventilation <WRAP centeralign>
</WRAP>
2.5 Conclusions
In this chapter we wanted to present not only different products similar to ours, but focus on the various technology solutions that are applied in commercial and non-commercial shelters. The rapid growth of the ideas, solutions and technology in this particular field results in the wide range of possibilities of inventing the greenhouse. In the next chapters, we would like to show our implementations, methods and technology, present the materials we used and explain our choices, which are the most efficient solutions, as we consider.
3. Project Management
To finish the project successfully with the given resources and in the available time, a careful management is essential. Providing an overview of the most relevant input and output data concerning the project. Also, it gives a positive contribution to the working atmosphere if all team members feel that everything is planned thoughtfully. A general optimism about successfully finishing the project helps every individual person to perform as good as possible.
In this chapter, it will be presented how our team have applied the main issues of project management to our project. They are mentioned different part about management of the project´s: scope, time, cost, quality, people, communication, risk, procurement and stakeholders.
3.1 Scope
To achieve the scope, we must remember that scope is strictly connected with time and costs of the project. (Fig 12) We can not neglect each of those parts.
Figure 12 Introduction of scope <WRAP centeralign>
</WRAP>
The scope is to develop, design and build a scale model of a shelter for aquaponic systems. It must be easy to build and functional in case of growing and protecting plants inside. Main task of our product is to support and protect aquaponic system.
1.To ensure a high quality final product, we must:
- Have a stylish design
- Create an accessible manual
- Ensure an easy to use product following the manual
- Create a product as sustainable as possible
2. As for the deliverables we must prepare:
- Interim presentation
- Final presentation and report
- Wiki webpage
- Leaflet
- Manual to our product
Figure 13 To help us with all requirements we prepared work breakdown structure (WBS). <WRAP centeralign>
</WRAP>
3.2 Time
We have to manage our time accordingly and follow the Gantt Chart where possible. A Gantt chart is a visual representation of a project schedule. Gantt charts show the start and finish dates of the different required elements of a project. Any changes to the time management must be changed on the Final Gantt Chart. Time must be allowed for possible errors that can occur.
Figure 14 Picture of gantt chart <WRAP centeralign>
</WRAP>
3.3 Cost
Budget for the group project is 150.00 € and this will be used only for the manufacture of the final scale prototype.
- Stay under budget if possible
- Budget is for the group project only and not personal use !
- Use low cost solutions if possible
- Reuse some components from university if it is possible
- Decide in group on high cost components
Materials and prices:
- Arduino Uno 22,90€
- DHT22 sensor 9,90€
- LCD keypad shield 14,50€
- Power supply 7,50€
- Wires 4,20€
- Policarbonate 0,00€
- Double side tape 23,16€
- Allplast glue 8,74€
- Expanded PVC 0,00€
Total price 90,90€ Money left 59,10€ -Cost of people were neglected because we are rewarded with grades, not money.
3.3.1 Materials
Construction materials
More detailed information about all the materials, why we chose them and their properties are in chapter 7.3.1
Skeleton For the shelter we need skeleton that supports the covering material. We considered using aluminium 6000 series alloys and steel S355. The construction of the shelter is simple and does not have to carry a lot of weight that is why using steel would be pointless because of it is big density. Although aluminium´s density is a lot lower, we decided not to use it because it is quite difficult to cut, drill and glue. We decided that wood is the cheapest and easiest material to work with and in our opinion it looks better than any metal. We also had to choose between different woods. The options were: pine, oak, cedar and teak. Unfortunately our budget is limited and in this point we had to choose the cheapest one – Scots pine.
Covering material
As we are going to build a shelter that has a green house function, we need to cover the skeleton with some kind of transparent material. We considered using usual glass, PC (poly carbonate) and PMMA. It was quite clear at the beginning that we cannot use glass because of its high density, brittleness and price. PC and PMMA are most commonly used green house plastics. PC is a lot stronger, has ability to dispel light and is drillable same time the light transmission and the price is almost the same. We decided to use multi wall PC.
Electronic materials
More detailed information about all the components, why we chose them and their properties are in chapter 7.3.2
We chose all our electronic materials based on our needs. In some cases for example the sensors we found only one device that was suitable for our project and that is why the comparison is missing.
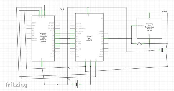
Inside shelter we are going to measure temperature and humidity. For that we need a sensor. We are going to use DHT22.
All the information about temperature and humidity are displayed on LCD screen. We had to choose between two screens. The biggest difference was backlight one of them had it and the other did not. We decided that backlight is important and chose the one with it.
To keep the sensors and the screen working we also need a controlling system. We were choosing between Arduino UNO and Arduino NANO systems. We chose Arduino NANO because at school we were given support according programming of it.
All the electrical devices require some kind of power source. We were choosing between two different power supplies: 9VDC 1.33A and 12VDC 1.5A. The total needed current is 0.8 A. The first one is cheaper and meets our needs.
Table 6 is material list which consists of how many units we need, price per unit. <WRAP centeralign>
| Materials | Amount | Description | Price (unit) € | Total price € |
|---|---|---|---|---|
| Wood panel | 4 | Wood panels 5 mm 1200 x 600 mm | 5.29 € | 21.16 € |
| Wood struts | 1 | Balsa wood struck 10 x 10 x 1000 mm | 1.39 € | 1.39 € |
| Screws | 1 | Screws 35 pieces 3.5 x 20 mm | 0.99 € | 0.99 € |
| PC | 1 | Extruded multiwall polycarbonate, transparent 1 m2 6 mm (thick) | 12.00 € | 12.00 € |
| Acrylic hinges | 5 | Acrylic hinges 25×18 mm | 1.60 € | 8.00 € |
| Double side tape | 5 | Double sided tape 1.5 m x 19 mm | 4.29 € | 12.87 € |
| Velcro | 1 | Velcro tape 60 cm | 1.99 € | 1.99 € |
| Arduino UNO | 1 | Motherboard for the control system | 21.10 € | 21.10 € |
| LCD shield for arduino | 1 | Allows to display all data to the user and to modify code | 11.01 € | 11.01 € |
| DHT22 sensor | 1 | Measures temperature and humidity | 13.47 € | 13.47 € |
</WRAP>
3.3.2 Suppliers
For us the most important thing about the suppliers is the location. We are trying to buy everything from Portuguese suppliers from Porto or nearby cities. With this we can keep the transport costs low. The second important criteria is price. Our budget is small so we have to check which supplier gives the cheapest price with good quality.
As it is said in material list, we are going to buy most of our materials from Leroy Merlin. We chose it because they have a very big variety of goods. It has two shops close to Porto on in Matosinhos and the other in Gaia.
3.4 Quality
We must make sure the product will be produced with high quality products, in order to achieve the top quality final deliverable. To ensure this we must fulfill all steps:
- An effective plan incorporating a quality design.
- Approach all problems that arise within the project.
- Complete tests of whole system including electronics.
- Ensure that our design works properly.
As it is only a university project we will not conduct audit inspections. If we were supposed to put our product on the market several audits will be performed.
Test inspections are very important part of obtaining high quality product. Test conducted by us are visible below in point “7.5 Tests and Results”
3.4.1 Process quality
One very important aspect about the project is a teamwork. Every member has it´s own tasks and works alone most of the time. Same time every small individual work has to match with others. To make everything work we need a good way to communicate with each other. We have meetings at least twice a week, when every member can tell others what they have done and is there any problems. We also decide together what are the future plans and set deadlines. Once a week we have a meeting with supervisors who give us feedback about our work.
3.4.2 Product quality
To guarantee our client a good quality, we need to test it. In general the tests can be spread into two groups. The first group is to test the shelter and it´s covering materials – are those capable of creating suitable conditions to the plants. The other tests group is to test the electronics used. More specific information about testing the product is in chapter 7.5 Tests and Results.
3.5 People
To work effectively as a team we decided to split the project according to individuals strengths. To do so we made a table which depicts contribution of each team member.
Figure 15 People <WRAP centeralign>
</WRAP>
3.6 Communications
Effective team communication is a core aspect in every project when it is developed in team. In our team, there are two main ways of communication among team members:
- Team meetings (face to face)
It is a very important way of communication. At least once a week or more often if it is possible we arrange meetings with all members of our group. During the meetings, we discuss about each part of the project to establish goals and make decisions. Then we share tasks for everybody to work at home on their own.
- By Internet
A group on Facebook was created for the team to communicate. In case of doubt while working at home we can keep our group informed about it and receive mutual guidance. In this place we also address organizational matters and determine the appointments. We share files on our dropbox account. After team authorisation we upload it to wiki, to make it visible for the supervisors.
- Oral communications
We can call each member of the team and discuss with our problems before sharing them with other team members. In our case oral communication allows most misunderstandings to be resolved immediately.
3.6.1 Communication Register
Table 7 is a communication register which gives a short review, how we are going to communicate with each other and the supervisors. <WRAP centeralign>
| What | Who | How | When | Why | to Whom |
|---|---|---|---|---|---|
| Every week assesment | Team | Meeting | Once a week (on Thursday) | To discuss the work, taht we have done and further tasks | Supervisors |
| Weekly performance summary | Team | Meeting | Twice a week | To prepare for the meeting with supervisors and discuss next steps of our work | Team |
| Workshop | Team | Working | Four times a week | Building the prototype | Team |
| Meeting with the client and main Supervisor | Team | Meeting | 2015-04-22 | Approving the materials list and shape | Abel José Duarte, Cristina Ribeiro |
| Organic farm visit | Team | Visit | 2015-03-19 | To get knowledge about how aquaponic systems work and see the shelters they use | Organic farm specialist |
| Effective and easy communication | Team | Social media | Daily | To discuss new ideas | Team |
</WRAP>
3.7 Risk
Risk management is the process of identifying, analysing and responding to risk factors throughout the course of a project and in the best interests of its objectives. Proper risk management implies control of possible future events and is proactive rather than reactive. [13] This calculation is too complicated and therefore not necessary for our project, so we will discuss only the major risks without assessing them in any great detail. We believe that the best way to do this is through the use of the bowtie structure.
Figure 16 How is Risk work <WRAP centeralign>
</WRAP>
Risks can often have a huge impact on the final product and this must be taken into account in project management part. It is very important to evaluate all possible risks that can happen during duration of whole project. The following table shows the main risks involved within our product, including the probability and possible solutions.
Table 8 lists possible occurring risks and our response tactics. <WRAP centeralign>
| Risk | Consequence | Risk Response | Owner | Rank |
|---|---|---|---|---|
| Scale model won't work properly | Electronic system and scale shelter model can't function as one or individually | We need to prepare the mock up earlier to ensure that all parts work together and individually and also we need to make computer simulations. [mitigate] | Mateusz Bartniak | medium |
| Broken parts | Parts of the product got damaged within manufacture process | Ensure constant quality control checks on all parts [avoid] | Mateusz Bartniak | low |
| Team members health | When a team member becomes ill or injured themselves | Adjust the work load so that the other team members complete all necessary work or some parts of the project can be done from home via the internet connection or on their own [transfer] | Mateusz Bartniak | medium |
| Communication problem | Through missed notifications of updates on the group | Need direct contacts including (phone, email, sms). [avoid] | Mateusz Bartniak | very low |
| Late in deadlines | Last-minute problems may occur. Mark is downgraded | Try to explain the problems to the supervisors/teachers. [mitigate] | Mateusz Bartniak | low |
| Supplier mistakes | Could happen that supplier doesn't provide us right products or shipping is taking too long, this may cause delay of prototype development | Direct contacts, early orders. Keep in mind other suppliers, not focusing on one. [transfer] | Mateusz Bartniak | very low |
</WRAP>
3.8 Procurement
Procurement Management is an area of Logistics that endeavours to ensure that all goods and materials are sourced in time to be used for the project, it is area that requires a great deal of forward planning and requires margins of error to account for possible delays. Our suppliers are mostly portuguese companies because our production takes place in Portugal so there should not be any problems with delivery on time. It all helps to keep the expenses as low as possible for the materials as well for the transportation. Suppliers were chosen according to their prices and quality, delivery times and overall flexibility.
We cannot afford to delay, because it would stop all the design work and resulted in failure to meet deadlines. In the case of our products all products are ordered in online stores that distribute products from reputable manufacturers. Due to the fact that we are using online stores we communicate with them via email or telephone.
We are using Just in time manufacturing, which means we always plan all the orders thoroughly. It’s necessary not to waste your storage room on unneeded stuff and keep money tied up. A lot of money can be saved on the delivery costs if all the procurement is done correctly. Due to that it is very important to be in constant contact with suppliers, because the information about the delivery of our materials will allow for further planning stages of the project and in case of problems or changes it will allow for quick reaction and action.
3.9 Stakeholders management
Project stakeholders are entities that have an interest in a given project. These stakeholders may be inside or outside an organization which:
- sponsor a project, or
- have an interest or a gain upon a successful completion of a project;
- may have a positive or negative influence in the project completion.
In our project there are four different stakeholder groups. Their expectations in terms of the project are different because they are focused on various aspects. However they all tend to a common goal, for the project to be concluded successfully.
- The first stakeholder is ISEP, which is expecting to create an innovative device. University gave funds for the project and provided the tools and place to work on it.
- The second stakeholder are supervisors who want students to learn and see in practice practice each project being developed in real time, and assess that procedure. They also want students to acquire cooperation and team cooperation skills as well as problem solving and compromise skills. They assist us in the implementation of the project by giving us useful clues and they also monitor project progress.
- The third group are lecturers, they mainly focus on showing us how to use knowledge in a particular field of our current project, how to use that knowledge in future projects as well. Each of them helps in the project development, concerning specific competences.
- The last group is our team, who aims to successfully finish the project, the creation of a scale model of shelter, but also to gain new experiences by working in an international environment, and to learn how create projects, deal with problems and communicate with each others.
Table 9 Stakeholders Register <WRAP centeralign>
| Name | Power | Interest on project | |
|---|---|---|---|
| A | Abel José Duarte (Client) | high | high |
| B | Cristina Ribeiro (main supervisor) | high | high |
| C | Benedita Malheiro | high | high |
| D | Other supervisors | low | medium |
| E | ISEP | high | low |
| F | Lecturers | low | low |
| G | Reelika Martoja | high | high |
| H | Pawel Jankowski | high | high |
| I | Adriana Jurado | high | high |
| J | Roland Esenszki | high | medium |
| K | Severin Bernreuther | high | high |
| L | Mateusz Bartniak | high | high |
</WRAP>
Figure 17 A matrix of stakeholders register <WRAP centeralign>
</WRAP>
3.10 Conclusion
In chapter the project-related management issues were described, concerning both human resources and building materials. Next chapter deals with the marketing plan developed for this project, and with the strategies for selling our product.
4. Marketing Plan
4.1 Introduction
“The actual objective of Marketing is to make selling redundant. The objective of Marketing is to understand your client and his needs so good, that the product you are developing from there suits perfectly and therefore is going to sell itself.” [14] .
4.2 Market Analysis
“ Markets are a virtual or real place where offers of products meet their demand which concludes in a price.” [15]
The marketing activities of a business are taking place in markets. The circumstances of each market are shaped by it's customers, competitors and further actors. The aim of businesses is to shape and influence markets and their actors with it's marketing strategies. Therefore the aim of Marketing is to influence potential customers and get an advantage over competitors.
4.2.1 Macro Analysis
“The macro-environment encompasses all uncontrollable variables and the implications they hold for management. The business must take strategic decisions with regard to economic, social, technological, physical political and institutional and international environments, based in the changes in the macro-environment [16]. Figure 18 shows the micro and macro environment of organisations.
<WRAP centeralign>
</WRAP>
Therefore its crucial for the management to keep up to date with trends or changes that happen within the market. One way for businesses to research and analyse their macro-environment is the STEEP-Analysis. STEEP is an acronym for Social, Technological, Economic, Environmental and Political. It is important for organizations to consider these dimensions before making decisions. Figure 19 is showing the different dimensions of the STEEP - Analysis.
<WRAP centeralign>
</WRAP>
Social Environment
The awareness for organic food products has became mainstream in western culture for the last years. However there is not only a demand for food produced under observance of certain guidelines so that it is started as organic, but also a growing trend to bring food production back to the cities. People still doubt the trustability of some organic products, because they can be found in discount supermarkets. Those people want to know where their food is coming from and reckon that food shipped around the globe is not to be stated organic. Hence they are responsible for a bigger consumption of locally grown products.
Technological Environment
The technological features of our Ecodome are mostly for measuring the conditions inside of the greenhouse. There are several companies developing sensors that are more using less energy and are more accurate. Other businesses are integrating these sensors with devices that can control the environment inside of the shelter by e.g. cooling / heating it down or rising / decreasing the humidity. As we are developing a shelter that is only measuring these parameters it doesnt affect our current product. However we are planning on a diversification of our product. This means customers can choose technological features that are integrated in the shelter based on their needs in the future. Thats why we keep looking for technologies that can be installed in our shelter.
A big part of the Ecodome is built from wood. In order to preserve the shelter while it is installed outdoors the Pinewood hast to be treated in a reliable kind. The wood has to be protected “from damage caused by insects, moisture and decay fungi” [18]. The most frequently used treatments are based on chemicals being inserted in the wood. It is part of our product policy to offer a ecological and sustainable product and therefore we are always on the search for wood preservation methods with less usage of toxic material that generate a convenient outcome for our customers.
Economical Environment
With these organic and sustainable trends (see: 4.2.2.1 Social) there will be interest in the products and solutions we are working on. The public opinion about this modern gardening approach is quite positive. And there are no moral or ethical constraints that would discourage potential customers. Although there is a big Marketing Value of our products, it is still uncertain if potential customers will buy them. It remains to be seen if people will strive for more independency and are looking for products like ours.
Environmental Background
Our product is dependent on different environmental factors like temperature, humidity and wind. Yet it is capable of working in a relatively wide range of these factors. We suppose its working best in subtropical, continental and mesothermal climate zones.
Political Environment
There are no political regulations that have a negative impact on our product. Rather there is the chance of receiving subsidies from EU-budget or other sources as we are developing a sustainable agricultural product. Nevertheless there are regulations concerning the safety of our product. Therefore we are planning to let independent specialist companies like TÜV or DEKRA run extensive tests on our product.
4.2.2 Micro Analysis
To analyse the influences that are more close to our company we used Porter's Five Forces analysis. It is a framework to analyse the level of competition within an industry sector.
Figure 19 is showing the different influences on the level of rivalry within an industry. These are Threat of new entrants, threat of substitute products or services, bargaining power of customers, bargaining power of suppliers and intensity of competitive rivalry. Figure 20 shows the relations of Porter's five forces and characteristics that can influence the forces.
<WRAP centeralign>
</WRAP>
Threat of new entrants – moderately high
The Barriers to entry this market are relatively low as you do not need a huge budget to entry the industry. Yet there is a big variety in products, especially concerning the design and construction material. This means new entrants are not necessarily aiming for the same customers as we do. It helps to have some specialized knowledge but it is managable to build up the necessary experience in relatively short amount of time. There is some cost benefits and some economies of scale effects. This means the bigger we get, the smaller the threat of new entrants will be. Generally the threat of new entrants is moderately high.
Bargaining power of suppliers - low
The main materials we use are Pinewood, PE and some electronic components. All of these materials are being sold by a big number of suppliers. The size of the suppliers ranges from small to very big businesses. It is a very common service to sell these materials. We chose our materials in order to find the best ratio of e.g. optical appearance, price and functional capabilities. We tried to find the materials that suit the best, but there are still so many different materials that we could have used instead of our selection. In conclusion we think that the bargaining power of suppliers is low and has therefore no potential impact on our business.
Threat of substitution - high
Our product is designed to support aquaponics systems. Yet there are many existent companies that sell greenhouses for horticultural purposes. Therefore there is high risk of substitutional products.
Bargaining power of buyers - medium
As we are starting our business in Portugal an will produce in Portugal it comes natural to sell our product here as well. Business activities between countries of the EU are quite easy and we are working in a international team with connections in different countries. After research of several potential markets we haven chosen Germany to be another promising market as there is a high demand of organic food.
We are aiming to sell our product to private consumers especially the so called “True Believers” and “Enlightened Environmentalists”. Small businesses like farm market booth owners or ecological hotels are another potential customer.
It is hard to tell how big the number of our potential customers could be. Yet our potential customer is between 30 and 60 years old. This means we have more than 30 Million people of this age in Germany and around 3 Million in Portugal. There could be an estimated 500 000 people that have interest in our product and a few thousand that want to buy it. The price sensitivity of this part of the population is not high. They are searching for investments that might pay out after a couple of years. Our product is capable of doing so.
The buyers ability to substitute our product is a bigger problem and therefore we are trying to differentiate from our competitors.
Competetive Rivalry - medium
There are several steps to fulfil while working on a reliable Competitor analysis. First of all it is important to identify competitors and find out about their goals. Then it´s important to find out about their strategies in order to find out about their potential strengths and weaknesses.With all these informations it is possible to sketch possible reactions on our behaviour. The logical conclusion of this analysis is to define your competitors and decide for each of them wether to tackle their position or avoid confrontation.
In general every business that builds greenhouses is one of our competitors. Most of them are built to grow crops inside. But a few of them are designed for aquaponics systems and these are our main competitors. Table 10 is comparing these competitors.
<WRAP centeralign>
| Aquaponics-shop.com (exemplary for similar small businesses) | Ecf Farmsystems | Urban Farmers - The Globe Hedron | Ceres – Green technology | Gewaechshaus Poppen (exemplary for similar businesses) | |
|---|---|---|---|---|---|
| Product strategy | This is a small greenhouse builder from Australia. Their product is a aquaponics grow tunnel. The tunnel is divided in a bright and a dark area. The size of the product can be adjusted to any desired output. | Their product is a aquaponics farming system. High tech aquaponics system connected with a high tech shelter. They consult, plan, and build for their clients. Everything is custom made yet aimed on industrial production. | Rooftop farms made from bamboo and other sustainable materials. Produces enough food to feed a family of four around the year. High transportability and easy to build up. | A community environment park that developed one of the “world’s most energy and water efficient, free-standing aquaponics systems.” The shelter is part of the system. They use affordable materials | Local family owned business from Germany, The greenhouse is a tunnel construction covered with plastic foil. Different products with different specifications. Size can be modified. |
| Price strategy | Custom product for an affordable price. | Very expensive high quality system. | The system hasn’t been produced yet. But it will probably be relatively expensive. | The product is not yet for sale. | Quality product for a very low Price. |
| Distribution strategy | Online Store. The product can be delivered anywhere in the world. Shipping is not included | Their Flagship-Farm in Berlin is a producing site. Potential customers can visit it and make appointments for consultation. | No distribution strategy yet. | - | Retail store in Germany and online store. Delivery by company owned vehicles, product ready to be built up. |
| Strenghts / Weaknesses | Strengths: Custom Product, low priced, some additional features Weaknesses: old online store, small business, no real ambitions to start sales outside of their country | Strengths: High tech system, high functionality, Scientific background, industrial production Weaknesses: Very Expensive Product, are there even enough customers? | Strengths: Innovative Design, System of Shelter and Aquaponics system, convenient design, functional, aimed on private customers Weaknesses: has not been built yet, probably expensive, consumers willingness to pay | Strengths: Large enough for commercial production, Weaknesses: Not for sale yet | Strengths: trustworthy family owned business, good service, very cheap products Weaknesses: bonded to Germany, no design product, basic features |
| Design | Very functional design with the look of a common greenhouse. | Design is dependent on the location where it is supposed to be built. One of their farms has been built on a roof. Their existing shelters look like a glasshouse. | Innovative geodesic design, suits urban environment | Classic functional glasshouse design | Functional low cost design |
| Functionalities | Barrier, to insects, one dark and one bright area | Heating, Cooling, lighting, watering, shading, central computer system, remote maintenance possible, alarm system | Air circulation, Cooling, water cycle integrated in the shelter | Solar pv, Water tanks | Barrier for insects, support for plants |
</WRAP>
“ECF Farmsystems” and Ceres are developing commercial sites with an output way bigger than our “Ecodome”. Therefore they are no real threats to us. Businesses like Aquaponics-shop.com or especially Gewaechshaus Poppen have a lot of know-how, existing Distribution strategies, an established clientele and a good reputation in their communities. This is why we concern them as harmful competitors. Nevertheless we differentiate from these local businesses by shifting our customer’s attention to the Design of our product. “The Globe Hedron” is a project that has a relatively similar approach. Yet they will probably sell their product for a way higher price than we will. They haven’t produced any of their systems yet. We could not find out if there will be more attempts to start production.
4.3 SWOT Analysis
The SWOT-Analysis is a tool used to identify Strengths, Weaknesses, Opportunities and Threats relating to our company. After determination of theses characteristics different conclusions emphasize. Figure 21 shows the results of an enhanced SWOT - Analysis of our company.
- How do I use these strengths to take advantage of these opportunities?
- How do I use my strengths to reduce the likelihood and impact of these threats?
- How do I overcome weaknesses that prevent me taking advantage of these opportunities?
- How do I overcome the weaknesses that will make these threats a reality?
<WRAP centeralign>
</WRAP>
4.4 Strategic Objectives
To accomplish our aims as a start-up we agreed on the following strategic objectives.
- Build the first full-size working prototype by the end of 2015
- Start sales to our clients in January 2016
- Achieve 5-10% marketshare in Europe by January 2017
- Accumulate preorders by the end of 2015
- Obtain funding to start production by the end of 2015
- Become the flagship in development/production of aquaponics shelters
- Achieve a wealthy net sales growth between 5-8% annually
4.5 Segmentation
To identify the target customers, we used the criteria explained in sections 4.5.1, 4.5.2 and 4.5.3 that follow.
4.5.1 Geographic:
The demand for organic food is rapidly increasing in three regions:
- USA (the fastest growing sector of American marketplace - made up 5.8 percent of total food sales in 2010)
- Australia (organic food purchases increased from 24% in 2012 to 40% in 2014)
- European Union
We have chosen the EU countries as our target, where the organic food market is still developing. This sector in the USA and Australia is formed - the biggest competitors have already built strong positions and their identities.
4.5.2 Demographic:
We will focus on potential customers with the following demographic characteristics:
- Age: 35 – 60 years old
- Income: medium or high income
- Lifecycle: married or civil partnership with or without children, older person living alone or with a partner
- Occupation: still working, or retired
4.5.3 Psychographic:
According to consumer researcher IRI, there are two groups of shoppers, who are interested in buying organic and natural products:
- “True Believers” – Those who believe in the benefits of natural products for their health
- “Enlightened Environmentalists” – Those who care about protecting the environment
We aim at people who are following the eco-lifestyle trends and trying to find alternatives to processed products, by producing healthy, free of chemicals food.
4.6 Strategy/Positioning
The logical consequence that follows the market segmentation is to develop a positioning strategy for the chosen goal segments. It is important to systematically achieve a unique and distinct position that matches the already set criteria. The goal here is to adjust the strengths of a company to the challenges and chances set by the aspired market. To achieve this goal we firstly identified the potential customers that are most likely to be attracted by the products we offer (see: 4.5 Segmentation). It is really important to think about why these customers would choose “Ecodome” instead of another similar product. Then our offer has to be positioned in our customer’s perception.
The position of a product contains all impressions and emotions that customers will have from our product compared to other products. For example, we want our customers to prefer the look of our product when comparing it to others and that they have the feeling to make a bargain for a good product. The challenge here is to satisfy the customers' needs in a different/better way than competitors.
In order to implement a successful positioning strategy it is important to differentiate from your competitors. We figured that there is either functional, unappealing greenhouses or well-designed, expensive ones. With this information in mind we saw the opportunity to provide a product that is good-looking and available for a competitive price. This is supposed to be the main competitive edge over our competitors. Furthermore we will differentiate from our competitors by engineering a high quality product that will be available with different features. It will be possible to purchase automatically opening windows, cooling and heating devices, monitoring via Web app and various sizes. Future work will also include an aquaponics system that is designed specifically for the “Ecodome”. We also want to provide good service for clients and interested people. By the use of sustainable materials and obviously by providing a product that supports a very “green” technology we want sell the good feeling of doing something good for the environment and independency.
To achieve a unique selling proposition with these differentiations we are going to monitor and readjust our strategy regularly.
4.7 Adapted Marketing-Mix
4.7.1 Introduction
The marketing mix is a concept that has already been used since the early 1950's. Companies use this concept to transform their marketing strategy into actions. The most famous classification of the marketing mix was proposed by E. Jerome McCarthy in 1960 and is known as the 4 P's. Product, Price, Place and Promotion
As figure 22 shows, the different categories contain various tools to work with. There are different ways of using and combining these instruments to implement marketing strategies. The following chapters will give a specification on how we intend to use them. Figure 22 is showing the “4 P's” and exemplary instruments for each category.
<WRAP centeralign>
</WRAP>
4.7.2 Product
Product is defined as “a cluster of characteristics that aim on creating customer value of any kind.” [45] This definition is an attempt to describe a general conception of products. In this sense a product consists of several components which are core features, additional features, packaging / tangible setting, basic services, value added service and brand. All these features should have the purpose of adding value for our customers. Our product can be categorized as a consumer good.
The Ecodome's advanced features
The Ecodome is built to protect and support Aquaponics systems. It provides the right temperature and humidity for growing fish and vegetables and protects it from wind, heavy rainfall or hail. There are different sensors installed that show humidity and temperature inside of the shelter.The benefit our customers get from these main features is the support in growing their own food and therefor supplying themselves and their families with fresh and organic fish and vegetables.
As a sustainable company it is crucial to us to always strive for the best possible product. We do this in only choosing premium materials that was treated the right way. Ecodome is constructed with all safety guidelines in mind. Additionally it is not designed to loose functionality or even break down after a while. We will provide our product with a generous warranty to underline the quality of our product.
The idea of Ecodome is to provide all necessary functionalities and an appealing design. On our research for the State of the Art of this industry we found various functional grenhouses that were not good looking. This is the product dimension were we want to distinguish our brand the most.
To support our decision of providing a design product we are also working to build up a strong brand. We want to win the loyalty of customers, build up market entry barriers, differentiate from our competitors and an increasing revenue. To acquire this unique occurrence in our customer’s perception we worked out what message our brand should deliver. The first step was to find a suitable name and create a brand logo. Then we decided on what features the brand “Ecodome” should have. Figure 23 shows the logo of our brand “Ecodome”.
<WRAP centeralign>
</WRAP>
Figure 24 shows how we want our brand to be perceived. <WRAP centeralign>
</WRAP>
For the moment we are not planning to introduce further products. Yet we want to offer our clients a greenhouse that suits their personal needs. In the future our customers will have the chance to choose the perfect size of the greenhouse and there will be a couple of different woods to choose from as well. While we are focussing on the most important electronic features in our basic Ecodome there is a wide range of devices that can be applied in the system. We are planning to develop systems with broader functionalities for the more pretentious clients.
4.7.3 Price
“Price policies in general incorporate all decisions that have an affect on the price clients have to pay for a product.” [21]
Pricing strategy plays a big role in how a brand is going to be perceived. There are four main characteristics that apply to most Price related decisions. They have a high feasibility, are hard to reverse, have a big impact on customers and have a quick reaction.
We want to enter the market following a skimming strategy. Consequently the first products will enter the market for high prices. This is a way to find out about consumers willingness to pay and utilize revenues to pay back R&D costs.
The price of the Ecodome will be oriented to the customers' demand. Like already mentioned before, we are planning to differentiate our product in the future, which will lead to different prices of our product. There will be a starter Ecodome for the cheapest price, an intermediate version and the premium version with premium wood and premium components. Occasionally, there will be special promotion deals to attract customers. As we are starting to sell in Portugal and Germany, it is possible that there will be a higher price for the German market.
We expect our customers to pay before delivery. The payment can be made via bank transfer, credit card or in cash. However if we start to follow an indirect distribution policy it is likely that the date of payment for our distribution partners will be 10 – 14 days after delivery. If partners pay before delivery they will get a discount of 3% on their purchase. If payment is made within the first three days after delivery there will be a discount of 1.5%. On some occasions we will provide our product with a special discount that will vary between 5 – 15%. Possible dates for these discounts are Easter holidays, Black Friday, and our yearly anniversary. These discounts will only be available for end-consumers.
4.7.4 Promotion
An outstandingly good product still has to be communicated to the target market to generate sales. The basic goal orientated principle of promotion policies is called AIDA. AIDA stands for Attention, Interest, Desire, Action. This means all promotion activities should either cause awareness by arousing attention, interest or desire in the product and/or move customers to actually by the promoted product.
The functionalities of our greenhouse are quite easy to understand and with the design of it we are trying to sell a unique form of greenhouse. Yet the group of potential customers is relatively small as we are aiming to sell the product to 30 to 60 year old, enlightened enviromentalists / true believers, that like to grow there own food. This and the fact the we only have a 5000 € budget for promotion activities led to the decision of focusing on online advertisment and mobile marketing rather than on print media or television.
We are planning to do interviews about our venture in print media that has a similar target group. The goal of these interviews are the establishment of a stronger brand, providing information about our young company and the initiation to even more media coverage.
If the business grows steadily we are looking to attend a selection of trade shows. Trade shows are good to tie relationships with other companies for future cooperations or getting in touch with customers.
4.7.5 Place
The last classical item of the marketing mix is called 'Place'. It mainly discusses the sales and distribution policies of a company. The act of getting a product to it's customers turns out to be a major part of it's cost and therefore strategic decisions should be carefully made. Sales is a market orientated activity and aimed on customer acquisition, closure of sales agreements and after sales management. Distribution is about making sure the product is avaiable for customers and managing geographical distances.
There are several decisions to be made concerning our sales activities. One of the main decisions is to decide whether to sell directly to our customers or indirectly. Following a indirect sales strategy means to work with external partners that help to market a product and and are therefore responsible of a major share of customer acquisitons. If a company is not using external ressources they are following a direct sales strategy.
Direct Sales have the advantage of being in control of your activites and there is a immediate communication with your clients. On the other hand companies have to put in a lot of effort to build up a successful Sales department and distribution to the masses is hardly achievable. Indirect Sales are capable of mass-distribution and there is less organizational effort for the own company. Yet the control of sale activites moves to your external partners. Success is strongly dependent on your partners and straight communication with your actual clients is hard to achieve.
We will begin selling the 'Ecodome' directly to our customers. We made this decision concerning several reasons. First, as we are a small business just starting our sales activities it is important for us to stay in close contact with our customers in order to get feedback for the product and improve our product. At the same time we want to be in charge of how the 'Ecodome' is going to be presented to our clients. Second, as we do not have clients yet we assume that the organizational effort we have to put in will not exceed our capacities in the beginning. However, if sales increase and the outlook for future activities seems positive, we will oblige external partners to push sales to a higher level. Potential partners include DIY warehouses and garden centers. Still, the depth of distribution should not be too big. Market entry in other countries than Portugal and Germany will happen through external partners as well.
4.8 Budget
We have a budget of 5000 € to use for the 2016 period. In the beginning we are going to build a website to promote our business activities. As we want to reach a specific target group we are mainly using Google Ads for the first year. We are going to spend approximately 8,30 € a day to display our advertisements. In April we are going to raise this daily budget to 11,70 €. We will do this for mainly two reasons. On the one hand we want to find out if raising the budget will generate more sales. On the other hand is April the start of spring in the northern hemisphere and we think that people are most interested in buying our product in spring and early summer. For a more tangible marketing approach we are going to print leaflets and posters. About one fifth of our budget is for our marketeers to travel and introduce our product.
Figure 25 shows the budget allocation. <WRAP centeralign>
</WRAP>
4.9 Strategy Control
As a new business we are setting up goals we want to achieve and developed products and strategies that will help us to reach these goals. The next step is to apply these strategies and bring the product to the markets. To the contrary of many, that is where the process of control should already begin.
During the implementation Milestones should be formulated and their level of compliance should be monitored. Other tools to control the implementation are checklists, target costing, Benchmarking and performance accounting.
The next step is to monitor the level of compliance of our actual marketing goals (see: 4.4 Strategic Objectives). By the use of indicator systems, performance accounting, cost accounting and early detection systems.
The monitoring of the implementation process and our goals is mostly working with internal information. Yet reasons why strategies can not be implemented, have to be changed or why goals can not be achieved often have a origin from the outside of a cooperation. This is why we always keep our environment under observation. Occurring scenarios have to be analyzed and systematized. If variances of the controls are significant, readjustments or a change of our strategic direction has to be made.
4.10 Conclusion
This marketing plan was written in 2015. Therefore it correlates to the present economic situation and cultural trends. The main objective was to analyze the relevant markets and to draw conclusions concerning the Marketing-Mix from there. This is how we made the decision to build a design product for a competitive price. There will be periodic assessments about internal and external factors of this business on a regular basis in order to make reasonable adjustments.
5 Eco-efficiency Measures for Sustainability
5.1 Introduction
Growing food year round in any climate anywhere in the world is the future of food. Aquaponics greenhouses are part of the growing trend for using controlled environments for the growing of food. They allow for the raising of food nearer to the consumer and consistently delivering a much higher quality product. They also require the use of less water and energy than conventional farming or even regular greenhouse growing. The proper structure housing your aquaponics system provides the year-round growing, in any weather.
Figure 26 presents the structure of Eco-eficiency Measures for Sustainability <WRAP centeralign>
</WRAP>
5.2 Environmental
According to the environmental aspect of sustainability, we want to develop our project in the harmony with the surroundings. The major issue is the energy efficiency. We are not using any artifical source of light or ventilation. The amount of electricity is relatively small. (More information about the electronic components is provided in chapter 7.3.2)
5.2.1 Attempting to make greenhouses more environmentally friendly, we use eco-friendly materials such as:
- Polycarbonate - it has a long life cycle, and can be used many times if appropriate. It provides proper light transmission (88%), and is stronger than glass. PC has a lot higher impact strength, it is drillable and has high chemical resistance. PC also has an ability to dispel light and insulate heat. (More information provided in chapter 7.3.1)
- Pine wood - Naturally renewable building material, it acts like a natural humidity regulator, absorbing humidity in damp conditions and releasing moisture in dry conditions. Wood is durable. A good quality wood product should, with a little care and maintenance, last a lifetime. (More information provided in chapter 7.3.1)
5.2.2 Environment and Air pollution:
To grow organic food in aquaponics system, there is no need to use chemical, or any toxic solutions. Aquaponics uses fish feces that contain all the required nutrients for the proper plant growth. Instead of discharging water, aquaponics uses the plants and the media in which they grow to clean and purify the water, after which it is returned to the fish tank. Fish provide carbon dioxide, plants take in CO2, use the carbon to grow leaves and then release the remaining oxygen. The aquaponic system is a mini-ecosystem, it does not require influence of any artifical products.
5.2.3 Visual Pollution:
According to the design of our shelter, one of the aspects that we were considering is an aesthetic issue. As our product is destined to be set in urban areas, our idea is to figure out a construction that does not pollute the environment visually, which is the problem of big cities. As far as the structure of our shelter is concerned (more information about the design provided in chapter 7), it is built in the smart, modern way (dome-shaped) and the wooden structure gives a natural, eco-friendly look. Our greenhouse can be set in the untypical areas, such as roof or balcony, which can be also an advantage as for the aesthetic aspect.
5.3 Economical
Passive solar building principles are based on science and a variety of lessons learned through the years – they aren’t necessarily expensive. Passive solar construction costs can vary from no additional cost, to a little more than conventional construction to considerably more. Many forms of passive solar energy are economical because of the large savings of utility bills that can be achieved - typically in the 50% to 70% range.
5.3.1 Affordable materials:
According to the economical aspect of sustainability, one of the most important issues is the cost of the materials. Low cost of the product was one of the major factors, during our discussion about the materials choice. (more information provided in chapter 7). For the future development, one of our goals is giving the possibility to customize the builiding materials, depending on the region of our activity (availability and renewability of the product will be the most important aspects). In the future, we want to have possiblity to optimize the costs, without losing the quality of our product.
5.3.2 Financing:
One of the future aims of our team is to get the financial support from the European Union. Our greenhouse is an innovative project, which promotes the eco-friendly lifestyle and points out the benefits of the organic nutrition. We also believe, that organic food market is growing, community in the European union starts to pay attention to the healthy way of living. All those aspects increase chances of our project to receive funding from European Union.
5.3.3 Productivity:
Our greenhouse is destined for the aquaponics systems, that are big enough to operate outside. Opposite to the small scale aquaponic systems, which are mainly used on own, hobbystic purpose, our product is able to be the main source of food of the family. Also,our shelter can provide proper conditions for the aquaponics system, that can be used on the business purpose at the organic farm. Our greenhouse can provide natural sunlight, proper temperature, humidity and ventilation throughout the whole year, what makes the year-round production possible. The indoor aquaponics system can be beneficial only from learnig or entertaining point of view. Larger outdoor system can be used to produce food on a bigger (even mass production) scale.
5.4 Social
By releasing our product, we are trying to increase the eco-friendly consciousness in the community. We will try to operate in the way of respecting the nature and environment. Our idea is to point out the benefits on the healthy way of living, and support the future generations in creating the healthy society.
5.4.1 Independency:
According the social aspect of sustainability, the idea of our product is to give customers the opportunity to produce an organic food on their own. Aquaponics system operation gives opportunity to replace processed food from supermarkets with fully natural, self-grown organic plants. Year-round production (which is provided by the shelter) is an efficient way to become almost fully independent in terms of nutrition.
5.4.2 Eco-friendly feeling:
By using our product, the customer becomes a part of the eco-friendly community, contributes to the further development of the healthy lifestyle trends, which are becoming more and more imporant for the developed societies.
5.4.3 Availability:
As our product is supposed to be operating in the urban areas, we tried to make it easy to adapt to different areas. It does not need any special structure implementations, can be set in areas such as garden, roof, balcony. Our goal is to make it as user-friendly as possible. There are no special skills required to operate the product, for the customers, who are already familiar with the organic food growing, our shelter is the solution to improve he efficiency of the production.
5.4 Life Cycle Analysis
Life-cycle analyses is a systematic set of procedures for compiling and examining the inputs and outputs of materials, energy and the associated environmental impacts directly attributable to the functioning of a product or service system throughout its life cycle [22]. Choice of the materials was made based on their physical, chemical and mechanical properties, price, availability and recycling possibilities.
Raw materials production
Firstly, to build the shelter we need some raw materials. In our project there are two groups of them: construction materials and electronic materials. In both material groups we are not actually talking about raw materials but final products. In this case our biggest problem is where and from whom to buy and transport. We are trying to buy everything from Portuguese suppliers. Like this we do not need that much transport.
Manufacturing
As the shelter is going to cover outdoor aquaponic system, the main manufacturing is taking place outside. In this case manufacturing is cutting the wood beams and PC panels into correct size and join them with screws and then placing all the electronics. we do not need extra lighting. All we need is a small amount of electricity for the drills and saws and some water to keep everything clean.
Product Use
The shelter has a humidity and temperature sensor and an LCD screen to display information. Those parts require small amount of electricity. The power supply consumes 0.22 W. It also has a heating and cooling system. None of them need extra energy. For heating thermal mass system is being used and for cooling we are opening the windows. All the materials should last years but if some parts of the shelter break, it is possible to replace them without using a lot of material.
End of Life
Most materials we are using are recyclable. Wood can be reused many times and its final use is going to be fuel. PC applications are 100% recyclable, either mechanically or as feedstock, and energy from waste can be recovered at incineration plants [23].
5.4 Conclusion
Overall, the greenhouse for aquaponics system can possibly be very eco-friendly and Sustainable. The proper set up and use of this system can provide a large source of healthy, organic food on the big scale (even mass production) for the society and have a small impact on the environment. It is obvious that our shelter has a large range of positives in terms of sustainability and eco-efficiency.
6. Ethical and Deontological Concerns
6.1 Introduction
Our project is a Shelter to grow plants as sustainable as possible. Probably the harvest will eat by humans, so we need to make some special process to secure the quality of the plants.We would like to save the health of the people who use our product.That's why we need to make rules and follow ethic codes and laws.This is one of the important part of our job.After the introduction, we present 5 really important part of ethics.These are the:
- Engineering ethic
- Sales and Marketing ethic
- Academic concerns
- Environmental ethic
- Liability
In the future if something happen with the costumers and buyers, it's will our responsibility, so we can't miss this parts.
6.2 Engineering Ethics
Engineers are responsible for their work. Everything they design, develop and build has to be safe for the environment and final users. But not less important are honesty, impartiality, fairness and equity. Engineers must perform under a standard of professional behaviour that requires adherence to the highest principles of ethical conduct. Codes of engineering ethics identify a specific precedence with respect to the engineer's consideration for the public, clients, employers, environment, and the profession. For us the most important codes are: [24]
• Safety and health
All our products are tested to make sure it does not have hazardous impact on human life and environment. The first tests are done as simulations with CAD programs. When they are successful we are going to test the product in real life using prototypes. When the product has passed all the test successfully it is ready for production. When buying the product we also provide our client with all important information including know-how and manual.
• Relationships with employers and clients
The engineers know the biggest secrets of the company. As employers we expect them not to share that knowledge to other companies or people, especially about those ideas or developments, which does not have a patent yet. In general we would like to trust our engineers. We are also giving our best to be a good and reliable employer. Engineers are expected to have a good relationship with the clients. It means that they are polite, give advice and always offer the solutions which are the best for the client and not for the engineer.
• Perform services only in their areas of competence
We have engineers with different specialities like mechanical, industrial, electrical, biomedical etc. It is not allowed to design, give advice or supervise something which is out of their field of study.
• Act in such manner as to uphold and enhance the honour, integrity and dignity of the engineering profession and the company.
• Continue their professional development throughout their careers.
6.3 Sales and Marketing Ethics
The Sales and Marketing activities have to follow ethical standards if you want to avoid sanctions from regulatory agencies and don’t want to loss of reputation with customers. Important to build a solid image for the product with suitable service and reliable devices. During the sales, the product must be sold truthfully without tricking the consumer. If the costumer satisfied with the product, he/she will return to buy the newer product or devices for the product with new costumers.We don’t promise something for our clients which we are not sure.If someone give a chance to our shelter and trust in us, he/she will not regret the choice. This is our marketing politics.
6.4 Academic Ethics
Members of an academic community have a responsibility to present work that is truly their own.
“Plagiarism is the appropriation of another person’s ideas, processes, results, or words without giving appropriate credit, including those obtained through confidential review of others’ research proposals and manuscripts.” Federal Office of Science and Technology Policy definition, 1999 [25] . Cheating is attempting to present as one’s own, work that one has not performed, or using improper means to pass an examination.
6.5 Environmental Ethics
That is meaning the relationship among humans and the natural environment. Include the design of the shelter, and the materials of the shelter. It’s have to be recyclable. The most important that the plants to be able to survive independently the ambiance and the season.
Some point of view for the plants:
- need to be right temperature
- good humidity
- enough sunlight for the growing
- good soil
The environmental ethics have to ensure that everything is good enough for the next generations of the plants and don’t polluting the environment. We have to take a responsibility for the product.
6.6 Liability
At the end of the parts we also need to speak about liability.We also take responsibility for our buyers, supervisors, environmental, and the law as well.We have to take a responsibility for our project. There are a lot of rule that we have to observe to avoid the unpleasant situations.We have a responsibilities to the clients and supervisors, the law, the environment, and the future costumers. We have to do our best in the project. After the growing of the plants, the harvest should be eaten by humans, so we need to perfectly sure, that it’s not harmful.
We are following the European Union's directive :
Machine Directive [26] ;
Electrical Safety: Low Level Voltage Directive [27] ;
Restriction of Hazardous Substances (ROHS) in Electrical and Electronic Equipment Directive [28] ;
6.7 Conclusion
To build a shelter and build a solid image and strong brand, this chapter will help to us, to avoid any bad step and dissatisfied costumer. In the following chapter we have written about how will looks our shelter and what materials we are using to build.
7 Project Development
7.1 Introduction
In this chapter a review about product development is given. The architecture and the electronic schematic are explained. Also all the materials and electronic components are introduced with a short explanation why they were chosen. Then the following chapter includes what are the functions of the shelter. The last part of the chapter is tests, which give information whether the scale model works properly and also some ideas for the future development.
7.2 Architecture
7.2.1 Architecture of the shelter
Study of form
In order to make a modern and innovative design of the shelter we look on the different greenhouse shapes that already exist. As we can see in the chart 27 we made a list and score the aesthetic, the lighting, the innovation, the functionality and the impact ambient (5 is the highest score and the 0 the lowest).
<WRAP centeralign>
</WRAP>
After looking the different shapes and compering the scores, we decided the form that fits more in our project it is the dome, because it looks modern and it is innovative.
There are different types of domes in the market; our dome has to be strong to be weather resistant, that is why we made a research of the different existent domes, we found three types of dome that could fit in a greenhouse design, in the table 28 we have them explained.
<WRAP centeralign>
</WRAP>
We decided to do a Geodesic design because the construction of the dome is stronger than earth globe but requires less material than no pattern design.
A geodesic dome is a sphere-like structure composed of a complex network of triangles, we can see an example in the figure 29. The triangles create a self-bracing framework that gives structural strength while using a minimum of material. There are different types of geodesic domes, depending on the frequency of it. The frequency depend on how many triangles has the dome. The higher frequency, more triangles and more struts are going to be used. The frequency of a geodesic dome indicates how many times each side of the base triangle is subdivided.
<WRAP centeralign>
</WRAP>
There are different types of geodesic domes, depending on the frequency of it. The frequency depend on how many triangles has the dome. The higher frequency, more triangles and more struts are going to be used. The frequency of a geodesic dome indicates how many times each side of the base triangle is subdivided. The next figure 30 presents different possible frequencies in a geodesic and Figure 15 is an example of a 3V has 3 subdivisions on all sides. <WRAP centeralign>
</WRAP>
Sketching
With the study of the geodesic dome done, we started to make some sketches, changing the door and the open window system. At first, we started doing sketches without changing the geodesic triangles shape, we can see the sketches in figure 31.
<WRAP centeralign>
</WRAP>
As we wanted to make a different design for the shelter and we made a little study of the geodesics we know that it is possible to remove the triangles and use pentagon and hexagons panels, so we made some sketches with this. In the next figure, 32, we can see how would look like a possible shelter with windows on the botto, and one more window on the top.
<WRAP centeralign>
</WRAP>
We need a strong structure and use as less material as possible. This is why we decide to use a 3-frequency dome, that it has a good size and using less material than a 4-frequency. As we want to reduce the cost of the dome we decided to use pentagons and hexagons instead of triangles (Figure 33), with this we use less material and the structure is still strong enough. The final shape it’s decided so we made a computer sketch.
<WRAP centeralign>
</WRAP>
Ventilation
The shelter needs some ventilation and windows are the best solution. We thought about different design for the windows, and where to put them. As we wanted to create an airflow inside the shelter, we put three widows in the structure and one on the top that it is always open, that's creates air circulation.
Measurements
The dome has five meters of diameter and three meters of height plus 1 m for the top window.
Drawings of the real size model: drawings.pdf
Drawings of the scale model: scale_model.pdf
Figure 34 picture with the size of the dome. <WRAP centeralign>
</WRAP>
Design evolution
As we can see on picture 35 during the process of design we made different 3D models, the main changes are the windows, the doors and the material used.
</WRAP>
7.2.2 Control System Architecture
After research about proper control unit We have decided to use the Arduino UNO motherboard. We have one sensor for humidity and one for temperature binded together. The information about humidity and temperature are displayed on a LCD display, what is more we are going to display there also commands for the user. Our power supply provides us with much more current than needed in order to develop our system in the future only by adding extra components, our control unit is also able to handle new upgrades that is why our system is ready for future development if it will be needed.
Figure 36 presents the Electronic schematic. <WRAP centeralign>
</WRAP>
Figure 37 presents the Electronic schematic done in 'fritzing'. <WRAP centeralign>
</WRAP>
Figure 38 Flowchart of our program. <WRAP centeralign>
</WRAP>
Using and connecting the LCD shield:
The LiquidCrystal library comes with the Arduino IDE and allows you to control standard 1602 LCD displays. We will use those connection pins to connect LCD (4, 5, 6, 7, 8, 9, 10) to the Arduino board.
Using and connecting the DHT22 sensor:
The DHT22 sensor will be connected to pin 2 at arduino and to power supply via arduino.
We are able to change all pins in our program if it will be needed.
7.3 Components
7.3.1 Construction materials
Table 10 represents of a comparison of different construction materials including tensile strength, density and corrosion resistance. <WRAP centeralign>
| Material | Tensile strength | Density | Corrosion resistance |
|---|---|---|---|
| Al 6082 | 310 MPa | 2.70 g/cm3 | High |
| Al 7020 | 350 MPa | 2.80 g/cm3 | Average |
| Steel S355 | 355 MPa | 7.90 g/cm3 | Poor |
| Wrought iron | 517 MPa | 8.0 g/cm3 | High |
| Pine wood | - | 0.34 g/cm3 | Paint or other treatment |
| Oak wood | - | 0.56 g/cm3 | Varnish |
| Cedar | - | 0.47 g/cm3 | Oil |
| Teak | - | 0.63 g/cm3 | Oil |
</WRAP>
Table 12 is a comparison of different covering materials including light transmission, density, impact strength and Chemical resistance. <WRAP centeralign>
| Material | Light transmission | Density | Impact strength | Chemical resistance |
|---|---|---|---|---|
| Glass | 70 % | 2,5 g/cm3 | 1 | Average |
| PC | 88 % | 1.2 g/cm3 | 250 times higher than glass | High |
| PMMA | 93 % | 1.2 g/cm3 | 17 times higher than glass | Low |
</WRAP>
7.3.1.1 Covering material
The requirements for the covering material are: not too brittle; long-lasting, protects the aquaponic system from excessive sun, cold weather and wind. The first thought was glass. But glass is brittle and very dangerous when it breaks. We could use 4 mm thick tempered glass but this is too expensive. Glass is also quite heavy with its density 2.5 g/cm^3, it requires a very strong skeleton. The second thought was to use some kind of construction plastic. The most commonly used greenhouse plastics are PMMA (acrylic glass) and PC (polycarbonate). We chose Multi-Wall 8 mm thick PC because it has a lot higher impact strength, it is drillable and has high chemical resistance. PC also has an ability to dispel light and insulate heat. So we do not need very strong sunshades during summer and not so much heating during winter. Only negative thing about PC is that it costs about 35% more than PMMA.
Figure 38 displays Multi-wall PC panels. <WRAP centeralign>
</WRAP>
7.3.1.2 The skeleton
For the skeleton the requirements are: high corrosion resistance, high tensile strength and low density. Our first choice was Aluminium 6082 alloy. It has a big amount of Silicon (1.3 %) and Magnesium (1.2 %). Both of them increase corrosion resistance.
We wanted to use extruded aluminium profiles: U- and H-shaped. Then the first problem occurs: how we are going to join all the beams. We made some research and found some good joints but unfortunately they were too expensive. Then we tried to invent something ourselves.
Figure 40 present some of our ideas how to join the beams. <WRAP centeralign>
</WRAP>
For us none of them looked good. We had to give up on an idea of using H- and U-shaped profiles. The second idea was to use aluminium tubes. Joining them together would have been really simple.
Figure 41 displays how to join aluminium tubes. <WRAP centeralign>
</WRAP>
Unfortunately another problem occurred. When we use tubes there is no place where to attach PC panels. Instead of it we could use plastic sheets but this is not sustainable. By the end of this we decided to give up on aluminium and use wood.
Pine wood
We are going to use Scots pine (Pinus sylvestris) which is the most commonly used pine when building construction. We chose it because it is cheaper comparing to other woods. It can be used outside with suitable preservatives. It looks better than any metal, it is easy to join all the construction with screws and to attach the PC panels we need only double sided glazing tape and some silicone. The disadvantages of pine wood are: it has a lot of resin, it is knotty and the tensile strength of pine wood is a lot lower (40 MPa) we need stronger skeleton and more material [31].
Figure 42 is a picture of scots pine wood. <WRAP centeralign>
</WRAP>
Wood treatment / (will not be used when building the scale model)
To protect the wood from moisture, rot and mould we are going to use ecoprimer and then Light Brown Taroil. We chose it because it is 100% natural and does not consist anything that could have negative influence on environment. The Taroil consists of linseed oil, tar and pine – turpentine. It gives the wood a beautiful transparent and water resistant surface. The first step is to make sure that the wood is dry. Maximum wood humidity should be under 15%, and air relative humidity under 80%. The surfaces must be cleaned from dirt, fungus and other removable substances with sandpaper. Then it need polishing. After that the surface should be covered with ecopremier. Then a thin layer of taroil should be layered to the surface using a brush or a cloth. It absorbs 1-7 days depends on a weather conditions. All unabsorbed oil should be removed from the surface. Before applying the next layer the surface should be polished. It needs 4 layers of oil [33].
Figure 43 presents the Pine wood which is treated with light brown taroil. <WRAP centeralign>
</WRAP>
7.3.1.3 Other materials
- To anchor the dome we are going to use cement and cement bricks. It is the safest and the cheapest way. It should protect the aquaponic system from insects and small animals. (will not be used when building the scale model)
- To protect the plants from excessive sun we are going to use shade cloth that blocks 50% of the sunlight. The cloth is only used during midday summer periods. (will not be used when building the scale model) (See chapter 7.4.1.3)
- For the heating system we are going to use black and white coloured water tanks. Water tanks are made of PVC. (will not be used when building the scale model) (See chapter 7.4.1.1)
- The floor of the shelter is made of plywood. Both sides of the plywood is covered with epoxy resin and glass fiber (at least 2 layers of each) to make it waterproof.
- The lowest triangles of the shelter are made of wood (Scots pine). The wood is treated in a same was as the skeleton using taroil. (see chapter 7.3.1.2 The skeleton)
7.3.1.4 Scale model materials
As our budget is limited we had to use cheaper materials when building the scale model. The main difference is in construction materials. The electronic materials are the same. Also the other materials that are not mentioned in the following chapter are the same as the real size model.
Instead of wood, PVC was used. We covered the PVC panels with wood grain contact paper to make it look like a wood panel. Also we had to replace PC with PMMA. When using plastic instead of wood, there is no point to use screws and we decided to use glue.
7.3.2 Electronic components
7.3.2.1 The controlling system
We are going to use Arduino Uno board. We chose is because we were given support according programming of it and it has some possibilities for further development. We also considered using Ardunino Nano board. We have chosen Arduino UNO it is more powerful, easier to buy and more suitable for further development.
Table 13 is a comparison between Arduino Uno [35] and Arduino Nano board [36] according to specifications. <WRAP centeralign>
| Board | Arduino UNO | Arduino Nano |
|---|---|---|
| Microcontroller | ATmega328 | Atmel ATmega168 or ATmega328 |
| Operating Voltage | 5 V | 5 V |
| Input Voltage (recommended) | 7-12 V | 7-12 V |
| Input Voltage (limits) | 6-20 V | 6-2 0V |
| Digital I/O Pins | 14 (of which 6 provide PWM output) | 14 (of which 6 provide PWM output) |
| Analog Input Pins | 6 | 8 |
| DC Current per I/O Pin | 40 mA | 40 mA |
| DC Current for 3.3V Pin | 50 mA | - |
| Flash Memory | 32 KB (ATmega328) of which 0.5 KB used by bootloader | 16 KB (ATmega168) or 32 KB (ATmega328) of which 2 KB used by bootloader 16 KB |
| SRAM | 2 kB (ATmega328) | 1 kB (ATmega168) or 2 kB (ATmega328) |
| EEPROM | 1 kB (ATmega328) | 512 bytes (ATmega168) or 1 Kk (ATmega328) |
| Clock Speed | 16 MHz | 16 MHz |
| Length | 68.6 mm | 45 mm |
| Width | 53.4 mm | 18 mm |
| Weight | 25 g | 5 g |
</WRAP>
Figure 44 is a picture of Arduino UNO motherboard which we are going to use in the control system of electronics in our shelter for aquaponic systems. <WRAP centeralign>
</WRAP>
7.3.2.2 The power supply
The total needed current is 0.8 A. According to that we have chosen a power adapter (AC/DC) which is capable of outputting current up to 1.33 A (DC) and voltage up to 9 V. We have chosen stronger power supply in order to be able to provide further development of the system if needed [38].
Table 14 presents how much current and voltage used devices require. <WRAP centeralign>
| Device | Current |
|---|---|
| Arduino UNO board | 0.64 A |
| Temperature and humidity sensor | 0.25 mA |
| LCD Display | 0.2 A |
| Total current needed | 0.9 A |
| Total current provided by power supply | 1.5 A |
</WRAP>
Figure 45 is a picture of a power supply that we are going to use to power our control unit. <WRAP centeralign>
</WRAP>
7.3.2.3 Temperature and humidity sensor
We have chosen dht22 sensor because we do not need any extra components and it is able to work with arduino board, what is more the device is capable of measuring temperature between -40 °C and +80 °C with an accuracy of ± 0,5 °C and humidity between 0% and 100% with an accuracy of ±2 %. In order to provide very accurate signal without errors there i a capacitor with the capacity of 100 nF needed to be installed between GND and VCC legs of the sensor, which is needed for wave filtering. Sensor requires direct current of 2.5 mA and voltage between 3.3 V and 6 V for proper work [39].
Table 15 is a comparison between dht11 and dht22 sensors. <WRAP centeralign>
| DHT11 | DHT22 |
|---|---|
| Ultra low cost | Low cost |
| 3 to 5 V power and I/O | 3 to 5 V power and I/O |
| 2.5 mA max current use during conversion (while requesting data) | 2.5 mA max current use during conversion (while requesting data) |
| Good for 20-80% humidity readings with 5% accuracy | Good for 0-100% humidity readings with 2-5% accuracy |
| Good for 0-50 °C temperature readings ±2 °C accuracy | Good for -40 to 125°C temperature readings ±0.5 °C accuracy |
| No more than 1 Hz sampling rate (once every second) | No more than 0.5 Hz sampling rate (once every 2 seconds) |
| Body size 15.5 mm x 12 mm x 5.5 mm | Body size 15.1 mm x 25 mm x 7.7 mm |
| 4 pins with 0.1“ spacing | 4 pins with 0.1” spacing |
</WRAP>
Figure 46 is a picture of dht22 temperature and humidity sensor. <WRAP centeralign>
</WRAP>
7.3.2.4 Screen
We are going to use LCD display. It has two lines and each one has maximum of 16 characters. The backlighting color is yellow-green. It requires a current of 0.2 A and positive supply voltage of 5 V. The operation temperature is between 0 °C and 50 °C. What is more it has 5 buttons (select, up, right, down and left), which will help us in further development of the whole system. Due to that we are able to add more functionality to our system.
Table 16 is a Comparison of MC1602C-SYR [40], MC21605A6W-SPR [41] and INM-0780 [42] displays <WRAP centeralign>
| Sensor | Backlight | Vdd | Current | Buttons |
|---|---|---|---|---|
| MC1602C-SYR | yes | 6 V | 0.15 A | 0 |
| MC21605A6W-SPR | no | 5 V | 0.10 A | 0 |
| INM-0780 | yes | 5 V | 0.2 A | 5 |
</WRAP>
Figure 47 presents the LCD display. <WRAP centeralign>
</WRAP>
7.4 Functionalities
7.4.1 Protect the aquaponic system from cold and excessive sun
One of the main functions of the shelter is to work as a greenhouse. It should be able to guarantee the best growing conditions to the plants. To achieve it we are going to measure temperature and humidity. When the temperature gets too high we need some cooling and when it gets too low we need some heating. In general it means using heating system during winter time and cooling system during summer time. Also offering some shade from excessive sun. We measure humidity only to make sure it is not too low because plants prefer higher humidity. In general the shelter helps to keep the humidity high.
7.4.1.1 Heating system (Not used in scale model)
The system is used during winter time. We are going to use a system called passive solar heating. As a thermal mass we are going to use water because of its capacity to store energy. The water is kept in special tanks. The south side of the tank is painted black and the north is white. The tanks are placed on the north side of the shelter. This allows the tanks absorb energy readily from the low southern sun in the winter, but limits emissivity on the north side where they butt up against a wall that will only rob energy away. For a life-size shelter we need about 2 kl of water.
Figure 48 presents passive solar heating system. <WRAP centeralign>
</WRAP>
7.4.1.2 Cooling system
We are going to use a system that consists of three windows and a skylight. This system should give us necessary wind flow. Three windows on a sides are for cold air to enter to the shelter. The skylight window is for hot air to exit. When the temperature inside the shelter gets too high (more than 21 °C (also see chapter 7.5.3)) the LCD screen says that and the shelter opens the side windows. The top window is opened all the time and covered with roof. The Scale model´s windows are opened manually the real shelter´s windows are opened automatically using servo motors.
Figure 49 presents the ventilation system with three windows. <WRAP centeralign>
</WRAP>
7.4.1.3 Sun protection (Not used in scale model)
During summer the sun radiation might be too strong and it can burn the plants. That is why the shelter needs some protection. We are going to use dark-coloured shade cloth. As the covering material (polycarbonate) already dispels the sunlight and block it a bit, very strong shade cloth is not needed. We are going to use cloth that blocks 50% of the sunlight.
The cloth is used only during the hottest times from May-September. The cloth is placed outside of the shelter on it in a way that it covers it from the places which get the most and the strongest sunlight. The cloth must be placed manually after the LCD screen has asked to do that.
Figure 50 presents the protection cloth and how it is placed on the shelter. <WRAP centeralign>
</WRAP>
To keep it in correct place, there are some hooks inserted to the wooden skeleton. For the windows the cloth has special slots.
7.5 Material lists with prices
Table 17 is a price list of a real size shelter. The prices are taken from resells. The real price is going to be smaller if we can buy all the materials as a company and in a bigger amount. The list includes extra materials like servo motors for automatic window opening, water tanks for passive solar heating and shade cloth. <WRAP centeralign>
| Material | Quantity | Price | Total |
|---|---|---|---|
| Plywood | 180 m2 | 9.5 € / m2 | 280.25 € |
| Wood struts | 160 m2 | 0.53 € / m | 83.254 € |
| Screws | 250 | 10.19 € / 100 units | 25.475 € |
| PC | 40 m2 | 9.22 € /m2 | 368.8 € |
| AcrylicHinges | 8 | 1.2 € | 9.6 € |
| Double side Glazing Tape | 140 m | 2.8 € / 32 m | 48.75 € |
| STARPLATE | 20 units | 86 € / 11 units | 166 € |
| Eproxy resin | 5 kg | 36 € / 1 kg | 180 € |
| Glass fiber | 9.4 m2 | 24 € | 228 € |
| Light Brown Taroil | 24 l | 3.86 € / l | 100.15 € |
| Ecopremier | 9 l | 3.78 € / l | 34 € |
| Silicone | 30 | 2.85 € | 85.5 € |
| Shade cloth | 25 m2 | 5 € / m2 | 125 € |
| Water tanks | 2000 l | 37.5 € / 500 l | 150 € |
| Arduino UNO | 1 | 21.10 € | 21.10 € |
| LCD display | 1 | 11.01 € | 11.01 € |
| Temperature and Humidity sensor | 1 | 13.47 € | 13.47 € |
| Power supply | 1 | 12.24 € | 12.24 € |
| Servo motors | 3 | 11 € | 33 € |
| Total price | 1975.60 € |
</WRAP>
Table 18 is a price list for the scale model. It includes the material needed, quantity, supplier and price. <WRAP centeralign>
| Material | Quantity | Supplier | Price | Total |
|---|---|---|---|---|
| PVC | 2 m2 | ISEP | 0 € | 0 € |
| Glue sticks | 3 packages | Leroy Merlin | 2.69 € /12 units | 8.07 € |
| PMMA | 1 m2 | ISEP | 0 € | 0 € |
| AcrylicHinges | 5 | 1.2 € | Plasticos do Sado | 6 € |
| Double side Glazing Tape | 4 packages | UHU | 4.29 € / 3 m | 17.16 € |
| Velcro | 1 package | Leroy Merlin | 1.99 € | 1.99 € |
| Plastic film | 1 m2 | ISEP | 0 € | 0 € |
| Arduino UNO | 1 | Arduino | 21.10 € | 21.10 € |
| LCD display | 1 | ITeadStudio | 11.01 € | 11.01 € |
| Temperature and Humidity sensor | 1 | Adafruit | 13.47 € | 13.47 € |
| Power supply | 1 | Inmotion | 12.24 € | 12.24 € |
| Total price | 91.04 € |
</WRAP>
7.6 Tests and Results
To know whether the scale model of the shelter works properly or not and what we could do better in the future development, we have to test it. We are planning to make four tests.
7.6.1 The temperature and humidity sensor test
Does the LCD Display showing the information about temperature and humidity inside the shelter is correct? To control it we are going to use controlled temperature and humidity sensors. First the temperature and humidity are measured with controlled sensor and then it is compared with the numbers on LCD screen. Tests take place five days in a row at the same time of the day. To pass the test successfully the 5 day average temperature difference should not be more than ± 2 °C and humidity difference ± 5% (based on accuracy of the devices). The average is calculated in arithmetic mean.
Hypothesis: The sensor works properly.
Results: The sensor works properly. The difference between temperatures was less than 1 °C and humidity 2 %.
7.6.2 The light test
Does the polycarbonate panels let pass an appropriate amount of sunlight?
Unfortunately our budget was not big enough to buy polycarbonate instead of that we used PMMA and tested that. As the mechanical, physical and chemical properties of both material are known then using this test we can predict how the results could be with PC. As the PMMA light transmission is higher (93 %) than PC (88 %) then the intensity of light is probably going to be a bit lower when using PC panels. We are going to measure the intensity of light using lux meter ISO-TECH ILM350. For the plants the intensity has to be higher than 8000 lx. The intensity of light was measured everyday at the same time five days a row.
Hypothesis: The intensity of sunlight is higher than 8000 lx.
Results: We made the test in classroom. First measured the intensity of light in one place of the classroom than put the shelter to the same place and measured the intensity of light inside the shelter. Then calculated the arithmetic mean of both measurements. The result is that the shelter blocks about 37 % of sunlight. It is okay because the intensity of light outside in a sunny day is more than 10 000 lx.
7.6.3 The window system tests
Does the window system provide necessary wind flow and lowers the temperature inside the shelter?
We are not going to measure wind flow but the temperature before and after it. The temperature in the shelter can not be higher than 46 °C. If it is higher then the plants will die [43]. The most suitable temperature for herbs is between 21 °C- 24 °C [44].
Test 1: Does the temperature inside the shelter decreases as much as needed when the windows are opened? The perfect temperature is. The temperature inside the shelter is measured when the windows are closed. Then the windows are opened and one hour later the temperature is measured again. The tests are made once a day five days in a row in the afternoon.
Hypothesis: The temperature decreases more when the wind is stronger and less when there is no wind. The perfect temperature is possible when the temperature outside the shelter is not higher than 25 °C.
Results: The firs part of hypothesis is true the other one is not. Temperature decreased more when the wind was stronger but not as much we expected. When the wind speed was about 20 knots the temperature inside decreased about 2 degrees more than with no wind. The most suitable temperature was not possible even with 23 °C.
Test 2: Is it possible to keep the temperature inside the shelter lower than 25 °C evenings without using the shade cloth (summer times)? The test is made after temperature test 1. The temperature is measured after 1 minute, 30 minutes in a row and then the average is calculated (using arithmetic mean). Tests take place five days in a row at the same time of the day.
Hypothesis: It is possible if the temperature outside is not higher than 25 °C and there are some wind. If the temperature is higher or/and there is no wind it is not possible.
Results: As all the testing days the temperature around 30 °C degrees it was not possible to keep the temperature under 25 °C in the mornings.
7.7 Conclusion
In the following chapter we have written about how we have managed to develop our project. It gave a short review how and why we chose the design and the materials. It also described what are the functionalities of the shelter, how it should work and what tests were made. The chapter ends with conclusion containing the pictures of the Scale model we built.
Figure 51 is a picture of the scale model taken at the front side of it. <WRAP centeralign>
</WRAP>
Figure 52 is a picture of the scale model taken at the top of it. <WRAP centeralign>
</WRAP>
Figure 52 is a picture of the scale model taken inside of the shelter. <WRAP centeralign>
</WRAP>
8. Conclusions
8.1 Discussion
This project shows the process and research made for developing a shelter for aquaponic systems. During the project we were affected by several problems, made decisions and finally solved these problems. First of all we decided to build a greenhouse with a shape that is based on a geodesic design. In terms of marketing we want to be perceived as a brand that provides a design product for a reasonable price. This design is able to support those two characteristics The second decision concerned the construction material being used. Several materials were considered but we finally decided for using wood for more aesthetic and a lower price. Once the shape and the material were decided, we started to take a look at the different dome shapes that are possible to construct. After that, the different components and characteristics, like windows and door, were implemented into the design. Finally the 3D simulation was done, with the different pieces and the assembly. Before realization of each decision made during the project, we considered various aspects of possible future outcomes affected by the decision.
8.2 Future Development
Regarding the future development, the main concept is to focus on the user-friendliness of the product. The idea is to offer few different sizes of the greenhouse to choose from, depending on the customers' needs. Another aspect that could be considered, is an ability to disassemble the shelter. It would provide new possibilities to deal with the mechanical damages of the construction, and also give the flexibility in terms of selecting the building materials. Disassembling the shelter would be also a good solution for transporting the whole product. As we want to expand to other markets, in different regions of the world, we want to use the materials, that are renewable, and at the same time most available in the particular area. That would give as an opportunity to keep the price on the reasonable level without loosing the quality of the product. Taken electronic parts into consideration, the main goal is to develop the fully-automatic windows opening system, which would be operated by servo motors. That solution could give the customer more control in terms of operating the greenhouse.
Bibliography
[1] https://www.indiegogo.com/projects/the-globe-hedron [Accessed in 20 March 2015].
[2] http://www.ceresgs.com/#!aquaponics-greenhouses/c22ea. [Accessed in 20 March 2015
[3] https://www.growerssupply.com/farm/supplies/cat1a;gs_greenhouse_covering.html [Accessed in 20 March 2015].
[4] http://www.ceresgs.com/#!10-Dos-and-Donts-for-Designing-a-Ground-to-Air-Heat-Transfer-system/cf3k/55131f4c0cf2aa18115c5439 [Accessed in 23 March 2015].
[5] http://sustainabilityworkshop.autodesk.com/buildings/trombe-wall-and-attached-sunspace [Accessed in 23 March 2015].
[6] http://www.agratech.com/accessories-commercial-greenhouse-manufacturer.html?id=43 [Accessed in 28 March 2015].
[7] http://www.cpenterprise.com/cpenterprise_fabrics_files/eng-thermo-screen.pdf [Accessed in 1 April 2015].
[8] http://www.vaisala.com/Vaisala%20Documents/Application%20notes/CEN-BAU-Greenhouse-Climate-Application-Note-B211142EN-A-LOW-v3.pdf [Accessed in 5 April 2015].
[9] http://e-aljazeera.com/?wpsc-product=greenhouse-misting-systems [Accessed in 5 April 2015].
[10] http://www.mistingpros.com/greenhouse-misting-systems/ [Accessed in 10 April 2015].
[11] https://hrt.msu.edu/Energy/Notebook/pdf/Sec2/Greenhouse_Temperature_Management_by_AJ_Both.pdf [Accessed in 13 April 2015].
[12] http://www.cps.gov.on.ca/english/plans/E6000/6704/M-6704L.pdf [Accessed in 13 April 2015].
[13] http://www.bia.ca/articles/rm-risk-management.htm [Accessed in 15 April 2015].
[14] Peter Drucker. [2002, october]. Was ist Management: Das Beste aus 50 Jahren [Accessed in 18 April 2015].
[15] Homburg/Krohmer. [2009]. page2 [Accessed in 20 April 2015].
[16] J. Kroon. General management. p.53 [Accessed in 25 April 2015].
[17] http://2xxibf2a6osoa4h3v1w7wl63.wpengine.netdna-cdn.com/wp-content/uploads/2015/02/steep-analysis-660x400.png [Accessed in March 2015].
[18] http://woodtreatment.sustainablesources.com/ [Accessed in 27 April 2015].
[19] https://sites.google.com/site/moeatschool/productivity-innovation-and-strategy/porters-5-forces-competitive-forces [Accessed in 29 April 2015].
[20] https://vivekvrs.wordpress.com/2013/10/03/definition-and-description-of-4ps-of-marketing/4ps-marketing/ [Accessed in 2 May 2015].
[21] Homburg/Krohmer [2009] S641; S186 [Accessed in 28 April 2015].
[22] http://www.gdrc.org/uem/lca/lca-define.html [Accessed in 3 May 2015].
[23] http://www.plasticseurope.org/what-is-plastic/types-of-plastics-11148/engineering-plastics/pc.aspx [Accessed in 9 May 2015].
[24] http://www.nspe.org/resources/ethics/code-ethics [Accessed in 9 May 2015].
[25] http://www.isekiconferences.com/athens2014/images/conference_presentations/23%20Ethics%20in%20Publishing_ISEKI%20May%202014.pdf [Accessed in 18 june 2015]
[25] http://www.isekiconferences.com/athens2014/images/conference_presentations/23%20Ethics%20in%20Publishing_ISEKI%20May%202014.pdf [Accessed in 1 May 2015].
[26] http://ec.europa.eu/enterprise/sectors/mechanical/documents/legislation/machinery/index_en.htm [Accessed in 15 May 2015].
[27] http://ec.europa.eu/enterprise/sectors/electrical/lvd/index_en.htm [Accessed in 1 May 2015].
[28] http://ec.europa.eu/environment/waste/rohs_eee/legis_en.htm [Accessed in 2 May 2015].
[29] http://polycarbonatesheeting.co.za/images/product-range/multiwall-polycarbonate/multiwall3.jpg) [Accessed in 15 March 2015].
[30] http://www.domerama.com/dome-basics/geodesic-dome-hub-connectors/ [Accessed in 9 March 2015].
[31] http://www.design-technology.org/CDT10woodsproperties.htm [Accessed in March 2015].
[32] http://www.wood-database.com/lumber-identification/softwoods/scots-pine/ [Accessed in 22 March 2015].
[33] http://www.amello.ee/en/taroil-light-brown.html [Accessed in 18 March 2015].
[34] http://www.arduino.cc/en/main/arduinoBoardUno [Accessed in 25 March 2015].
[35] https://www.arduino.cc/en/Main/arduinoBoardNano [Accessed in 4 March 2015].
[36] http://pt.rs-online.com/web/p/kits-de-desarrollo-de-procesador-y-microcontrolador/7154081/ [Accessed in 4 April 2015].
[37] http://www.inmotion.pt/en/power-supply/758-power-supply-12vdc-15a-eu.html [Accessed in 7 April 2015].
[38] http://www.inmotion.pt/en/adafruit/982-dht22-temperature-and-humidity-sensor-extras.html [Accessed in 17 April 2015].
[39] http://pt.farnell.com/everbouquet/mc1602c-syr/lcd-module-alphanumeric-2x16-stn/dp/1220424 [Accessed in 22 April 2015].
[40] http://pt.farnell.com/midas/mc21605a6w-spr/lcd-2x16-stn-reflective-5mm/dp/2063231 [Accessed in 2 April 2015].
[41] http://pt.farnell.com/everbouquet/mc1602c-syr/lcd-module-alphanumeric-2x16-stn/dp/1220424 [Accessed in 11 March 2015].
[42] https://agdev.anr.udel.edu/weeklycropupdate/?p=3203 [Accessed in 13 March 2015].
[43] http://herbgardens.about.com/od/indoorgardenbasics/a/TempIndoors.htm [Accessed in 18 March 2015].
[44] http://www.domerama.com/calculators/ [Accessed in 12 March 2015].
[45] Marketingmanagement: Strategie - Instrumente - Umsetzung - Unternehmensführung Gebundene Ausgabe – 26. August 2009, Homburg/Krohmer



